 
Obiettivo SWIR
Che cosa è SWIR?
Lo spettro visibile delle lunghezze d'onda va da 400nm a 780nm. Lo spettro delle lunghezze d'onda da 780nm a 1000µm è noto come luce infrarossa. La luce SWIR è anche conosciuta come luce infrarossa a onde corte, e si riferisce allo spettro di lunghezze d'onda infrarosse vicino alla luce visibile che va da circa 900nm a 2500nm. A differenza della luce visibile e della luce infrarossa termica, la SWIR occupa un terreno unico intermedio. I sensori utilizzati nell'imaging SWIR coprono solitamente l'intervallo da 900nm a 1700nm. Questo intervallo spettrale è caratterizzato dalla sua capacità di penetrare determinati materiali e condizioni atmosferiche. L'imaging SWIR offre vantaggi distintivi nelle imaging di applicazioni per immagini ad alta risoluzione, come l'ispezione dei wafer di silicio.
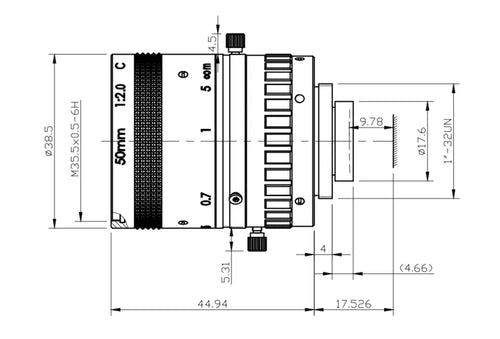
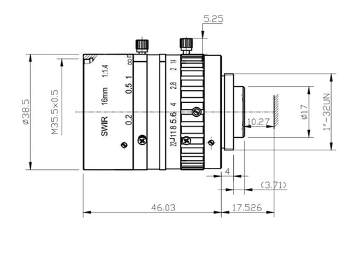
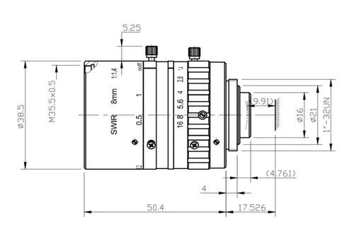
Obiettivi SWIR
Quando si utilizza una camera SWIR Telecamera, è fondamentale selezionare un obiettivo che sia compatibile e ottimizzato per l'intervallo di lunghezze d'onda SWIR. L'utilizzo di un obiettivo standard progettato per lo spettro visibile può comportare una risoluzione inferiore e immagini di qualità scadente. I nostri obiettivi sono progettati con materiali ottimizzati per alte prestazioni nello spettro SWIR e massima trasmissione sulle lunghezze d'onda SWIR.
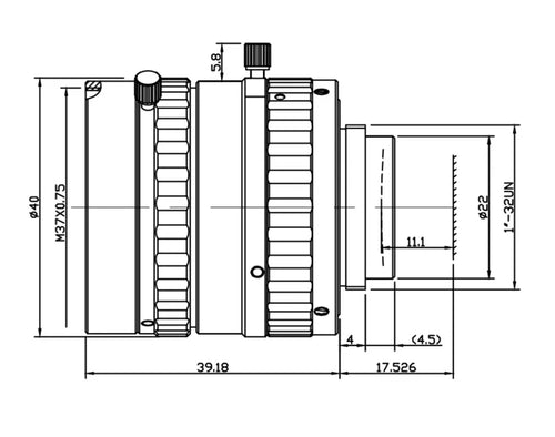
Le nostre lenti C-mount SWIR sono progettate per soddisfare i requisiti di durata e affidabilità degli ambienti industriali. Sono costruite per resistere a condizioni industriali difficili.
- La gamma di lunghezze d'onda per gli obiettivi SWIR copre da 900 nm a 1700 nm
- La gamma di lunghezze d'onda per gli obiettivi Visibile + SWIR copre la luce visibile + SWIR, da 400 nm a 1700 nm.
Gestione del ciclo di vita del prodotto dell'obiettivo SWIR
La serie di obiettivo SWIR è venduta in grandi quantità e sarà prodotta per molto tempo. Quasi ogni modello di obiettivo che è stato aggiunto al nostro portafoglio sin dall'inizio, rimane ancora in stock. Comprendiamo l'importanza della pianificazione e, pertanto, informiamo proattivamente i clienti riguardo ai prossimi End-of-Life (EOL) per qualsiasi obiettivo SWIR. Una notifica finale assicura che tu possa effettuare un ordine di acquisto last-time. Anche dopo l'EOL, i riavvii della produzione sono sempre una possibilità, con una quantità minima d'ordine (MOQ) di sole 300 pezzi.
Controllo qualità e garanzia delle lenti SWIR
Garantire la qualità delle lenti SWIR richiede un processo meticoloso e articolato in più fasi. Tutto inizia con severi controlli dei materiali in entrata. La stessa linea di produzione viene preparata meticolosamente, compresi i controlli sulle attrezzature di sicurezza dei lavoratori e la pulizia approfondita delle attrezzature.
Durante la produzione, ogni fase segue un rigoroso protocollo. Le ispezioni vengono effettuate sia visivamente che con l'ausilio di strumenti specializzati per garantire il rispetto di questi standard. Ogni obiettivo subisce un'ispezione finale per confermare che soddisfi sia i requisiti ottici che meccanici. Inoltre, le campione lens vengono controllate nuovamente prima della spedizione.
Questo approccio completo garantisce che tutti gli aspetti della produzione siano documentati in rapporti dettagliati. Qualsiasi obiettivo SWIR che non soddisfa gli standard di qualità stabiliti in qualsiasi momento viene segnalato come non conforme. Vengono quindi adottate azioni correttive per garantire sia la qualità del lotto specifico che l'intero processo di produzione. Questo monitoraggio continuo protegge la qualità dei lenti SWIR, dalle materie prime utilizzate al prodotto finito consegnato a te.
Recensioni Obiettivi SWIR
- 
          8Le telecamere hanno un ottimo rapporto qualità prezzoLe telecamere hanno un ottimo rapporto qualità-prezzo e anche gli obiettivi. Il software è obsoleto e necessita di un aggiornamento. Mi ci è voluto molto tempo per scoprire come accedere alle funzi... Le telecamere hanno un ottimo rapporto qualità-prezzo e anche gli obiettivi. Il software è obsoleto e necessita di un aggiornamento. Mi ci è voluto molto tempo per scoprire come accedere alle funzionalità della fotocamera. 
- 
          10Materiale di ottima qualità e fornitore attento ed affidabileNella fase commerciale abbiamo avuto il massimo supporto e i tempi di consegna sono stati rispettati. Il materiale è abbastanza buono con costi bassi e competitivi. Nella fase commerciale abbiamo avuto il massimo supporto e i tempi di consegna sono stati rispettati. Il materiale è abbastanza buono con costi bassi e competitivi. 
- 
          10Consegna rapida del cavoAvevo ordinato una fotocamera ma avevo dimenticato di includere il cavo necessario. il cavo è stato ordinato e consegnato molto velocemente. Avevo ordinato una fotocamera ma avevo dimenticato di includere il cavo necessario. il cavo è stato ordinato e consegnato molto velocemente. 
- 
          8Consegna veloceConsegna veloce anche senza pagare il premio di velocità Consegna veloce anche senza pagare il premio di velocità 
- 
          9Consegna veloce e buona qualità!Un'ottima compagnia, continuerò a collaborare la prossima volta! Un'ottima compagnia, continuerò a collaborare la prossima volta! 
- 
          10Servizio veloceServizio estremamente veloce. Ho ricevuto la macchina fotografica il giorno dopo. Consiglio vivamente il venditore! Grazie! Servizio estremamente veloce. Ho ricevuto la macchina fotografica il giorno dopo. Consiglio vivamente il venditore! Grazie! 
- 
          8.5Buona esperienzaOttimo, bella esperienza. Molto attento e veloce nel rispondere. Il prodotto è arrivato in buone condizioni. Ottimo, bella esperienza. Molto attento e veloce nel rispondere. Il prodotto è arrivato in buone condizioni. 
- 
          8Buona qualità e consegna veloceFinora tutti i componenti soddisfano le aspettative, tuttavia sarebbe fantastico se fossero disponibili modelli 3D per tutti i componenti. Finora tutti i componenti soddisfano le aspettative, tuttavia sarebbe fantastico se fossero disponibili modelli 3D per tutti i componenti. 
- 
          10Ottimo supporto clienti, prodotti e prezziHo contattato GeT Cameras per aiutarmi nella scelta della migliore soluzione di fotocamera e obiettivo per me. Hanno fornito un grande supporto. Ho ordinato con express e ho ricevuto i prodotti 2 g... Ho contattato GeT Cameras per aiutarmi nella scelta della migliore soluzione di fotocamera e obiettivo per me. Hanno fornito un grande supporto. Ho ordinato con express e ho ricevuto i prodotti 2 giorni dopo :) 
- 
          9Ottimi prezzi, ottimo servizio, tutto ottimoHo comprato parecchie fotocamere da questi ragazzi, i prezzi sono ottimi, il servizio è ottimo, anche i tempi di consegna dell'hardware sono molto buoni. Ho comprato parecchie fotocamere da questi ragazzi, i prezzi sono ottimi, il servizio è ottimo, anche i tempi di consegna dell'hardware sono molto buoni. 
- 
          10Ottimi prodotti. Supporto eccellenteGeT Cameras in Germania ha realizzato alcune foto dei nostri prodotti per mostrare le prestazioni delle loro telecamere e sembravano perfette. Recentemente abbiamo acquistato una fotocamera con obi... GeT Cameras in Germania ha realizzato alcune foto dei nostri prodotti per mostrare le prestazioni delle loro telecamere e sembravano perfette. Recentemente abbiamo acquistato una fotocamera con obiettivo e luci a LED. Non abbiamo esperienza con la visione artificiale, ma l'installazione ha funzionato bene. Dopo l'installazione nel nostro laboratorio siamo rimasti nuovamente sorpresi dall'alta qualità delle foto e dalla versatilità di questo sistema. (opzioni nel visualizzatore Galaxy e integrazione in Python. Recentemente abbiamo avuto un problema con il software e l'assistenza clienti è stata in grado di fornirci le informazioni pertinenti per risolverlo entro un giorno. La prossima volta che avremo bisogno di una fotocamera non cercheremo altri fornitori ma contatteremo immediatamente GeT Cameras. 
- 
          10Ottimo supporto e conoscenza interna delle telecamereAll'inizio ero un po' scettico riguardo all'acquisto di telecamere industriali online. È una parte fondamentale per la nostra macchina. Per lo sviluppo di un nuovo prodotto c'era molta pressione su... All'inizio ero un po' scettico riguardo all'acquisto di telecamere industriali online. È una parte fondamentale per la nostra macchina. Per lo sviluppo di un nuovo prodotto c'era molta pressione sui prezzi. Avevamo bisogno di una fotocamera economica. Li ho chiamati e Caspar mi ha fornito un grande supporto. Mi ha addirittura consigliato una macchina fotografica più economica di quella che avevo in mente. Sono rimasto semplicemente sorpreso dalla conoscenza interna delle telecamere sulla visione artificiale. Non me lo sarei mai aspettato da un negozio online. Anche l'immagine e la qualità costruttiva della fotocamera sono eccezionali. La fotocamera si sente e funziona allo stesso modo delle nostre fotocamere Basler. 
- 
          10Ottimo supporto via emailHo ordinato una telecamera USB3 da 20 MP con obiettivo 2 mesi fa per un'applicazione di lettura di codici DataMatrix. All'inizio ero scettico a causa dei prezzi bassi, ma il supporto via email è st... Ho ordinato una telecamera USB3 da 20 MP con obiettivo 2 mesi fa per un'applicazione di lettura di codici DataMatrix. All'inizio ero scettico a causa dei prezzi bassi, ma il supporto via email è stato ottimo. Consigliano un obiettivo e forniscono informazioni tecniche aggiuntive. Purtroppo non offrono un servizio di prestito, ma ho deciso di provarlo. Ho avuto le telecamere a casa entro 2 settimane e la connessione è stata semplice. L'SDK assomiglia all'SDK di Basler, quindi mi sono sentito subito a mio agio. La telecamera e l'obiettivo erano un abbinamento perfetto e ora sono in grado di leggere piccoli codici DMC su prodotti di grandi dimensioni con una sola fotocamera. 
- 
          10Ottimo supporto durante la scelta di un obiettivoAbbiamo acquistato una telecaaers da 20 MP e un obiettivo con tubi di prolunga per utilizzarla come microscopio digitale nel nostro laboratorio. Il supporto nella scelta dell'obiettivo è stato otti... Abbiamo acquistato una telecaaers da 20 MP e un obiettivo con tubi di prolunga per utilizzarla come microscopio digitale nel nostro laboratorio. Il supporto nella scelta dell'obiettivo è stato ottimo. Collegare la telecamera USB3 è stato semplice. Abbiamo ricevuto tutto in tempo. 
- 
          10Alta qualitàComponenti e servizio di alta qualità! Il mio ordine è stato gestito rapidamente ed è arrivato prima del previsto. Lo consiglierei. Componenti e servizio di alta qualità! Il mio ordine è stato gestito rapidamente ed è arrivato prima del previsto. Lo consiglierei. 
- 
          10È importante disporre di un team di lavoratori qualificati ed efficienti per ottenere la merce in modo efficiente.Ho mantenuto un buon rapporto e un'ottima comunicazione dall'inizio alla fine per acquistare l'articolo. Ho mantenuto un buon rapporto e un'ottima comunicazione dall'inizio alla fine per acquistare l'articolo. 
- 
          9Prodotti eccezionali e servizio clientiIl personale del servizio clienti è stato cordiale, disponibile e ci ha aiutato a selezionare i prodotti appropriati che si adattano perfettamente al nostro caso d'uso. Il personale del servizio clienti è stato cordiale, disponibile e ci ha aiutato a selezionare i prodotti appropriati che si adattano perfettamente al nostro caso d'uso. 
- 
          10Prodotti eccezionali e servizio clientiGet Cameras è stata estremamente gentile nel sponsorizzarci con alcune attrezzature straordinarie per il nostro team studentesco RoboCup, Delft Mercurians. Non abbiamo avuto problemi con le telecam... Get Cameras è stata estremamente gentile nel sponsorizzarci con alcune attrezzature straordinarie per il nostro team studentesco RoboCup, Delft Mercurians. Non abbiamo avuto problemi con le telecamere, funzionano come pubblicizzato e ci hanno permesso di continuare con il progetto e l'azienda ci è stata di grande supporto nel complesso. Il personale del servizio clienti è stato cordiale, disponibile e ci ha aiutato a selezionare i prodotti appropriati che si adattano perfettamente al nostro caso d'uso. 
- 
          8Interazione perfetta con il clienteBuon sito e perfetta interazione con il cliente. Buon sito e perfetta interazione con il cliente. 
- 
          10Prodotti consegnati prima di quanto promessoI prodotti ordinati sono stati consegnati prima di quanto promesso, tutti gli articoli ordinati erano inclusi nel pacco e non abbiamo avuto problemi a farli funzionare (le fotocamere funzionano con... I prodotti ordinati sono stati consegnati prima di quanto promesso, tutti gli articoli ordinati erano inclusi nel pacco e non abbiamo avuto problemi a farli funzionare (le fotocamere funzionano con il software allegato e con Matlab). 
- 
          10Supporto professionale, consegna veloce e buon prodotto.Mi è piaciuto che il tuo team mi abbia aiutato a scegliere l'attrezzatura necessaria in base alla mia descrizione. Gli articoli che ho ordinato sono esattamente quello che cercavo. Mi è piaciuto che il tuo team mi abbia aiutato a scegliere l'attrezzatura necessaria in base alla mia descrizione. Gli articoli che ho ordinato sono esattamente quello che cercavo. 
- 
          10Risposte immediate a molte domandeRisposte immediate alle nostre numerose domande. Una buona selezione di fotocamere nonostante le carenze in altri settori del settore e siamo stati in grado di specificare alcune di queste fotocame... Risposte immediate alle nostre numerose domande. Una buona selezione di fotocamere nonostante le carenze in altri settori del settore e siamo stati in grado di specificare alcune di queste fotocamere per far avanzare i progetti. Continuiamo ad acquistare regolarmente. 
- 
          10Risposte rapide e buona selezione di fotocamereRisposte immediate alle nostre numerose domande. Una buona selezione di fotocamere nonostante le carenze in altri settori del settore e siamo stati in grado di specificare alcune di queste fotocame... Risposte immediate alle nostre numerose domande. Una buona selezione di fotocamere nonostante le carenze in altri settori del settore e siamo stati in grado di specificare alcune di queste fotocamere per far avanzare i progetti. Continuiamo ad acquistare regolarmente da Get-Cameras. 
- 
          10Spedizione rapida e servizio clienti eccellenteIl servizio clienti è rapido, cordiale e disponibile, la spedizione avviene velocemente e la qualità delle fotocamere e degli accessori è eccellente. Molto utile è anche il software fornito, compre... Il servizio clienti è rapido, cordiale e disponibile, la spedizione avviene velocemente e la qualità delle fotocamere e degli accessori è eccellente. Molto utile è anche il software fornito, comprensivo di esempi di codifica per implementare le telecamere nei nostri sistemi. 
- 
          10Spedizione rapida e servizio clienti eccellenteIl servizio clienti è rapido, cordiale e disponibile, la spedizione avviene velocemente e la qualità delle fotocamere e degli accessori è eccellente. Molto utile è anche il software fornito, compre... Il servizio clienti è rapido, cordiale e disponibile, la spedizione avviene velocemente e la qualità delle fotocamere e degli accessori è eccellente. Molto utile è anche il software fornito, comprensivo di esempi di codifica per implementare le telecamere nei nostri sistemi. 
- 
          9Prodotto adatto a noiAbbiamo già diverse delle vostre telecamere. Questi sono solo per le scorte. Dal momento che li stiamo mettendo in magazzino, significa che ne siamo soddisfatti. Solo che i tempi di consegna sono l... Abbiamo già diverse delle vostre telecamere. Questi sono solo per le scorte. Dal momento che li stiamo mettendo in magazzino, significa che ne siamo soddisfatti. Solo che i tempi di consegna sono leggermente più lunghi. 
- 
          10Ottimo rapporto qualità prezzoLa telecamera è arrivata nei tempi previsti e regala immagini eccellenti. Ottimo rapporto qualità prezzo. L'SDK semplifica l'acquisizione di immagini in un programma scritto utilizzando C++Builder ... La telecamera è arrivata nei tempi previsti e regala immagini eccellenti. Ottimo rapporto qualità prezzo. L'SDK semplifica l'acquisizione di immagini in un programma scritto utilizzando C++Builder (circa 2 ore di programmazione). 
- 
          10Servizio clienti molto utileAvevamo urgentemente bisogno di una telecamera per la visione per il nostro progetto. Sono stati in grado di consegnarlo in pochi giorni. Hanno risposto rapidamente alle mie e-mail anche quando ave... Avevamo urgentemente bisogno di una telecamera per la visione per il nostro progetto. Sono stati in grado di consegnarlo in pochi giorni. Hanno risposto rapidamente alle mie e-mail anche quando avevo bisogno di supporto. Mi mandano un articolo su come installare velocemente la telecamera e impostare i parametri più importanti. è stato molto utile e nel giro di mezz'ora abbiamo avuto una buona immagine live view. Abbiamo anche ordinato l'obiettivo da loro consigliato. Fornisce un'immagine bella e nitida. 
Risorse di Visione e di Automazione
- 
          Pagina delle domande frequentiFAQLe domande più comuni hanno già una risposta nella nostra pagina delle domande frequenti. Domande su tempi di consegna, garanzia, prestito, resi, longevità, manuali ecc. 
- 
          ScoprireSoftware di imagingIl software di elaborazione delle immagini cattura le immagini da una telecamera industriale ed esegue attività complesse di elaborazione delle immagini come la segmentazione, il rilevamento, la lettura di codici e testi. 
- 
          ScoprireCentro di conoscenzaCondividiamo le nostre conoscenze sulla visione artificiale nel nostro knowledge center. Trova tutorial su come collegare le telecamere, installare software e programmare I/O. 
- 
          ScoprireApplicazioni di visione artificialeScopri come i nostri clienti utilizzano le nostre telecamere industriali, i nostri obiettivi e l'illuminazione nelle loro applicazioni 
- 
          Parla con noiEsperti di visione artificialeChiedi ai nostri esperti di visione artificiale! Rispondiamo rapidamente e pensiamo insieme al tuo progetto di imaging. 
- 
          ScoprireDownloadIl software di elaborazione delle immagini cattura le immagini da una telecamera industriale ed esegue attività complesse di elaborazione delle immagini come la segmentazione, il rilevamento, la lettura di codici e testi. 
 
      
         
 
 
 
 
 
 
 
 
 
 
 
                 
 
 
 
 
 
 
 
 
 
 
 
                 
 
 
 
 
                 
 
 
 
 
 
                 
 
 
 
 
 
 
 
 
 
 
 
 
          
        
          
             
 
          
        
          
             
 
          
        
          
             
 
          
        
          
             
 
          
        
          
             
 
          
        
          
             
 
          
        
          
             
 
          
        
          
             
 
          
        
          
             
 
          
        
          
             
 
          
        
          
             
 
          
        
          
             
