• VA-LCM-TC-0-0.067X-WD318-015 Lens telecentric 1
  • VA Imaging Logo
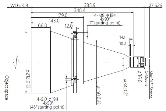
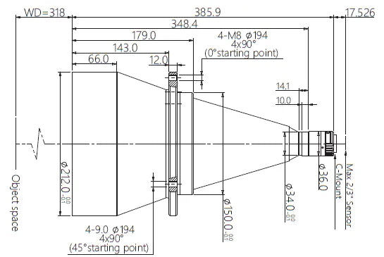
  • VA-LCM-TC-0-0.067X-WD318-015 Lens telecentric Mechanical drawing 3

VA-LCM-TC-0-0.067X-WD318-015 Objectif télécentrique

VA-LCM-TC-0-0.067X-WD318-015

  • Objectif Télécentrique C-mount
  • magnification 0.067X
  • taille du capteur 2/3 INCH
VA-LCM-TC-0-0.067X-WD318-015, Objectif Télécentrique C-mount, magnification 0.067X, taille du capteur 2/3 INCH VA-LCM-TC-0-0.067X-WD318-015
€2.597,00
Délai de livraison : Standard 3-6, Express 0-3 semaines
Qualité industrielle
Vision industielle
Description

Objectif télécentrique

La série LCM-TELECENTRIC pour les capteurs 2/3” sont des objectifs télécentriques à côté de l'objet qui sont conçus pour des applications de mesure précises. L'objectif télécentrique est conçu pourles caméras monture C 5MP-20MP. La série comporte plusieurs grossissements et distances de travail afin de garantir que le champ de vision adéquat soit respecté pour chaque application. Plus d'infos

Spécifications

Numéro de pièce VA-LCM-TC-0-0.067X-WD318-015
Format d'image / cercle 2/3''
Ouverture / iris Fixed iris
Aperture (min) F4.9
Distance minimale (MOD)- Max 318mm
Monture d'objectif C
Dimensions 212x385.9mm
Distorsion < 0.1%
Distance de travail (mm) 318
Grossissement 0.067
Champ de vision (FOV) 126.1x106.0mm
Voir toutes les spécifications

Télécharger le manuel

Besoin du manuel de VA-LCM-TC-0-0.067X-WD318-015 ?

Vous avez une question à propos de VA-LCM-TC-0-0.067X-WD318-015 ?

Posez-nous votre question via

Option d'entrée de lumière coaxiale

La plupart des objectifs télécentriques, avec un grossissement de 0,5x ou plus, ont la possibilité d'une entrée de lumière coaxiale. Si le numéro de référence commence par VA-LCM-TC-1, l'objectif dispose d'une entrée de lumière coaxiale, tandis que s'il commence par VA-LCM-TC-0, l'objectif n'a pas d'entrée de lumière coaxiale.

L'entrée de lumière coaxiale est idéale pour éclairer des surfaces planes et brillantes, comme le métal et les circuits imprimés. Pour utiliser l'entrée de lumière coaxiale, nous recommandons notre spot LED VA-SLC-8MM-W-12V.
Numéro de pièce VA-LCM-TC-0-0.067X-WD318-015
Format d'image / cercle 2/3''
Ouverture / iris Fixed iris
Aperture (min) F4.9
Distance minimale (MOD)- Max 318mm
Monture d'objectif C
Dimensions 212x385.9mm
Distorsion < 0.1%
Distance de travail (mm) 318
Grossissement 0.067
Champ de vision (FOV) 126.1x106.0mm
Profondeur de champ (DOF) ±98mm
Numéro d'article ancien LCM-TELECENTRIC-0.067X-WD318-1.5-NI
€2.597,00

Commentaires

  • 8
    Les caméras sont un excellent rapport qualité/prix

    Les appareils photo sont d'un excellent rapport qualité prix et les objectifs aussi. Le logiciel est obsolète et a besoin d'être actualisé. Il m'a fallu un temps considérable pour découvrir comment... Les appareils photo sont d'un excellent rapport qualité prix et les objectifs aussi. Le logiciel est obsolète et a besoin d'être actualisé. Il m'a fallu un temps considérable pour découvrir comment accéder aux fonctionnalités de la caméra.

  • 10
    Matériel d'excellente qualité et fournisseur attentif et fiable

    Dans la phase commerciale, nous avons eu un maximum de support et les délais de livraison ont été respectés. Le matériel est assez bon avec des coûts bas et compétitifs. Dans la phase commerciale, nous avons eu un maximum de support et les délais de livraison ont été respectés. Le matériel est assez bon avec des coûts bas et compétitifs.

  • 10
    Livraison rapide de câble

    J'avais commandé une caméra mais j'avais oublié d'inclure le câble requis. Le câble a été commandé et livré très rapidement. J'avais commandé une caméra mais j'avais oublié d'inclure le câble requis. Le câble a été commandé et livré très rapidement.

  • 8
    Livraison rapide

    Livraison rapide même sans payer la prime de rapidité Livraison rapide même sans payer la prime de rapidité

  • 9
    Livraison rapide et bonne qualité!

    Une très bonne entreprise, je continuerai à coopérer la prochaine fois! Une très bonne entreprise, je continuerai à coopérer la prochaine fois!

  • 10
    Service rapide

    Service extrêmement rapide. J'ai reçu la caméra le lendemain. Je recommande vivement le vendeur ! Merci ! Service extrêmement rapide. J'ai reçu la caméra le lendemain. Je recommande vivement le vendeur ! Merci !

  • 8.5
    Bonne expérience

    Top, bonne expérience. Très attentif et rapide à répondre. Produit arrivé en bon état. Top, bonne expérience. Très attentif et rapide à répondre. Produit arrivé en bon état.

  • 8
    Bonne qualité et livraison rapide

    Jusqu'à présent, tous les composants répondent aux attentes, mais ce serait formidable si des modèles 3D pour tous les composants étaient disponibles. Jusqu'à présent, tous les composants répondent aux attentes, mais ce serait formidable si des modèles 3D pour tous les composants étaient disponibles.

  • 10
    Super support client, produits et prix

    J'ai contacté GeT Cameras pour m'aider à choisir la meilleure caméra et objectif pour moi. Ils ont fourni un excellent support. J'ai commandé en express et j'ai reçu les produits 2 jours plus tard :) J'ai contacté GeT Cameras pour m'aider à choisir la meilleure caméra et objectif pour moi. Ils ont fourni un excellent support. J'ai commandé en express et j'ai reçu les produits 2 jours plus tard :)

  • 9
    Très bons prix, excellent service, tout est génial

    J'ai acheté pas mal de caméras auprès de ces gars-là, les prix sont excellents, le service est excellent, les délais de livraison du matériel sont également très bons. J'ai acheté pas mal de caméras auprès de ces gars-là, les prix sont excellents, le service est excellent, les délais de livraison du matériel sont également très bons.

  • 10
    Super produits. Excellent support.

    GeT Cameras en Allemagne a pris des photos de nos produits pour montrer la performance de leurs caméras et elles étaient parfaites. Récemment, nous avons acheté une caméra avec un objectif et des ... GeT Cameras en Allemagne a pris des photos de nos produits pour montrer la performance de leurs caméras et elles étaient parfaites. Récemment, nous avons acheté une caméra avec un objectif et des lumières LED. Nous ne sommes pas expérimentés en vision industrielle, mais l'installation s'est bien déroulée. Après l'installation dans notre laboratoire, nous avons été à nouveau surpris par la haute qualité des photos et la polyvalence de ce système. (options dans le visualiseur Galaxy et intégration en Python. Récemment, nous avons eu un problème avec le logiciel et le support client a pu nous fournir les informations pertinentes pour le résoudre en une journée. La prochaine fois que nous aurons besoin d'une caméra, nous ne chercherons pas d'autres fournisseurs mais contacterons GeT Cameras immédiatement.

  • 10
    Super support et connaissance interne des caméras

    Au début, j'étais un peu sceptique quant à l'achat de caméras industrielles en ligne. C'est une pièce critique pour notre machine. Pour le développement d'un nouveau produit, il y avait beaucoup de... Au début, j'étais un peu sceptique quant à l'achat de caméras industrielles en ligne. C'est une pièce critique pour notre machine. Pour le développement d'un nouveau produit, il y avait beaucoup de pression sur les prix. Nous avions besoin d'une caméra pas chère. Je les ai appelés et Caspar a fourni un excellent support. Il m'a même conseillé une caméra moins chère que celle que j'avais en tête. J'ai été surpris par les connaissances internes de get cameras sur la vision industrielle. Je ne m'attendais pas à cela d'un webshop. La qualité d'image et de construction de la caméra est également excellente. La caméra se sent et fonctionne de la même manière que nos caméras Basler.

  • 10
    Super support par email

    J'ai commandé une caméra USB3 20MP caméra incluant un objectif il y a 2 mois pour une application de lecture de code datamatrix application. Au début, j'étais sceptique à cause des prix bas, mais ... J'ai commandé une caméra USB3 20MP caméra incluant un objectif il y a 2 mois pour une application de lecture de code datamatrix application. Au début, j'étais sceptique à cause des prix bas, mais le support par email était excellent. Ils m'ont conseillé un objectif et fourni des informations techniques supplémentaires. Malheureusement, ils n'offrent pas de service de prêt, mais j'ai décidé d'essayer. J'ai reçu les caméras chez moi en 2 semaines et la connexion était facile. Le SDK ressemble au SDK de Basler, donc je me suis senti directement à l'aise avec. La caméra et le objectif étaient parfaitement assortis et maintenant je peux lire de petits codes DMC sur de grands produits avec juste une seule caméra.

  • 10
    Super support lors de la sélection d'une objectif

    Nous avons acheté un caméra 20MP et un objectif avec des tubes d'extension pour l'utiliser comme un microscope numérique dans notre laboratoire. Le support pour le choix d'un objectif était excel... Nous avons acheté un caméra 20MP et un objectif avec des tubes d'extension pour l'utiliser comme un microscope numérique dans notre laboratoire. Le support pour le choix d'un objectif était excellent. Connecter l'caméra USB3 était facile. Nous avons reçu tout à temps.

  • 10
    Haute qualité

    Composants et service de haute qualité ! Ma commande a été traitée rapidement et est arrivée plus tôt que prévu. Je le recommanderais. Composants et service de haute qualité ! Ma commande a été traitée rapidement et est arrivée plus tôt que prévu. Je le recommanderais.

  • 10
    Il est important de disposer d’une équipe de travailleurs qualifiée et efficace pour acheminer les marchandises de manière efficace.

    Entretenu une bonne relation et une très bonne communication du début à la fin pour acheter l'article. Entretenu une bonne relation et une très bonne communication du début à la fin pour acheter l'article.

  • 9
    Produits et service client exceptionnels

    Le personnel du service client était sympathique, facile à approcher et nous a aidés à sélectionner les produits appropriés qui correspondaient parfaitement à notre cas d'utilisation. Le personnel du service client était sympathique, facile à approcher et nous a aidés à sélectionner les produits appropriés qui correspondaient parfaitement à notre cas d'utilisation.

  • 10
    Produits et service client exceptionnels

    Get Cameras a eu la gentillesse de nous sponsoriser avec des équipements incroyables pour notre équipe étudiante de la RoboCup, les Delft Mercurians. Nous n'avons eu aucun problème avec les caméras... Get Cameras a eu la gentillesse de nous sponsoriser avec des équipements incroyables pour notre équipe étudiante de la RoboCup, les Delft Mercurians. Nous n'avons eu aucun problème avec les caméras, elles fonctionnent comme annoncé et nous ont permis de poursuivre le projet et l'entreprise nous a globalement apporté un soutien considérable. Le personnel du service client était sympathique, facile à approcher et nous a aidés à sélectionner les produits appropriés qui correspondaient parfaitement à notre cas d'utilisation.

  • 8
    Interaction client parfaite

    Bon site et interaction client parfaite. Bon site et interaction client parfaite.

  • 10
    Produits livrés plus tôt que promis

    Les produits commandés ont été livrés plus tôt que promis, tous les articles commandés étaient inclus dans le colis et nous n'avons eu aucun problème pour les faire fonctionner (les caméras fonctio... Les produits commandés ont été livrés plus tôt que promis, tous les articles commandés étaient inclus dans le colis et nous n'avons eu aucun problème pour les faire fonctionner (les caméras fonctionnent avec le logiciel ci-joint et avec Matlab).

  • 10
    Support support, livraison rapide et bon produit.

    J'ai apprécié que votre équipe m'ait aidé à choisir l'équipement nécessaire selon ma description. Les articles que j'ai commandés correspondent exactement à ce que je recherchais. J'ai apprécié que votre équipe m'ait aidé à choisir l'équipement nécessaire selon ma description. Les articles que j'ai commandés correspondent exactement à ce que je recherchais.

  • 10
    Des réponses rapides à de nombreuses questions

    Des réponses rapides à nos nombreuses questions. Une bonne sélection de caméras malgré des pénuries ailleurs dans l'industrie et nous avons pu spécifier certaines de ces caméras pour faire avancer ... Des réponses rapides à nos nombreuses questions. Une bonne sélection de caméras malgré des pénuries ailleurs dans l'industrie et nous avons pu spécifier certaines de ces caméras pour faire avancer les projets. Nous continuons à acheter régulièrement.

  • 10
    Réponses rapides et bonne sélection de caméras

    Des réponses rapides à nos nombreuses questions. Une bonne sélection de caméras malgré des pénuries ailleurs dans l'industrie et nous avons pu spécifier certaines de ces caméras pour faire avancer ... Des réponses rapides à nos nombreuses questions. Une bonne sélection de caméras malgré des pénuries ailleurs dans l'industrie et nous avons pu spécifier certaines de ces caméras pour faire avancer les projets. Nous continuons à acheter régulièrement chez Get-Cameras.

  • 10
    Expédition rapide et excellent service client

    Le service client est rapide, amical et serviable, l'expédition est rapide et la qualité des caméras et des accessoires est excellente. Le logiciel fourni est également très utile, notamment des ex... Le service client est rapide, amical et serviable, l'expédition est rapide et la qualité des caméras et des accessoires est excellente. Le logiciel fourni est également très utile, notamment des exemples de codage pour implémenter les caméras dans nos systèmes.

  • 10
    Expédition rapide et excellent service client

    Le service client est rapide, amical et serviable, l'expédition est rapide et la qualité des appareils photo et des accessoires est excellente. Le logiciel fourni est également très utile, notammen... Le service client est rapide, amical et serviable, l'expédition est rapide et la qualité des appareils photo et des accessoires est excellente. Le logiciel fourni est également très utile, notamment des exemples de codage pour implémenter les caméras dans nos systèmes.

  • 9
    Produit qui nous convient

    Nous possédons déjà plusieurs de vos caméras. Ce sont uniquement pour le stock. Puisque nous les mettons en stock, cela signifie que nous en sommes satisfaits. Seul le délai de livraison est un peu... Nous possédons déjà plusieurs de vos caméras. Ce sont uniquement pour le stock. Puisque nous les mettons en stock, cela signifie que nous en sommes satisfaits. Seul le délai de livraison est un peu plus long.

  • 10
    Très bon rapport qualité/prix

    La caméra est arrivée à l'heure et produit d'excellentes images. Très bon rapport qualité-prix. Le SDK facilite grandement l'acquisition d'images dans un programme que j'ai écrit moi-même en utilis... La caméra est arrivée à l'heure et produit d'excellentes images. Très bon rapport qualité-prix. Le SDK facilite grandement l'acquisition d'images dans un programme que j'ai écrit moi-même en utilisant C++Builder (environ 2 heures de programmation).

  • 10
    Service client très serviable

    Nous avions besoin d'une vision caméra pour notre projet de toute urgence. Ils ont pu la livrer en quelques jours. Ils ont également répondu rapidement à mes e-mails lorsque j'avais besoin de suppo... Nous avions besoin d'une vision caméra pour notre projet de toute urgence. Ils ont pu la livrer en quelques jours. Ils ont également répondu rapidement à mes e-mails lorsque j'avais besoin de support. Ils m'ont envoyé un article sur la façon d'installer rapidement la caméra et de régler les paramètres les plus importants. C'était très utile et en une demi-heure, nous avions une bonne image en direct. Nous avons également commandé la objectif qu'ils ont conseillée. Elle fournit une image nette et claire.

Les avis sont traduits automatiquement dans votre langue. Cliquez ici pour voir l'avis original et vérifier son authenticité.

Ressources de Vision et d'Automatisation

VA Imaging se situe à l'intersection de la créativité et de l'application pratique, en proposant des produits d'imagerie conçus pour être utilisés dans des machines innovantes. Nous vous fournissons les ressources qui vous permettent d'appliquer votre créativité de manière novatrice. Grâce aux ressources de VA Imaging, votre innovation trouve une expression tangible dans le monde de l'imagerie de vision et d'automatisation.

  • FAQ

    Les questions les plus courantes sont déjà répondues sur notre page FAQ. Questions sur les délais de livraison, la garantie, le prêt, les retours, la longévité, les manuels, etc.

    Page FAQ
  • Logiciel d'Imagerie

    Le logiciel de traitement d'image capture les images d'une caméra industrielle et effectue des tâches complexes de traitement d'image telles que la segmentation, la détection, la lecture de codes et de textes.

    Découvrir
  • Centre de connaissances

    Nous partageons notre savoir sur la vision industrielle dans notre centre de connaissances. Trouvez des tutoriels sur la façon de connecter des caméras, d'installer des logiciels et de programmer les entrées/sorties.

    Découvrir
  • Applications de Vision industrielle

    Regardez comment nos clients utilisent nos caméras industrielles, objectifs et éclairages dans leur application.

    Découvrir
  • Experts en Vision industrielle

    Demandez à nos experts en vision industrielle ! Nous répondons rapidement et réfléchissons en accord avec votre projet d'imagerie.

    Parlez-nous
  • Téléchargements

    Le logiciel de traitement d'image capture les images d'une caméra industrielle et effectue des tâches complexes de traitement d'image telles que la segmentation, la détection, la lecture de codes et de textes.

    Découvrir