Industrielles telezentrisches Objektiv

Ein telezentrisches Objektiv wird in Applikationen verwendet, in denen hochgenaue Messungen erforderlich sind. Ein telezentrisches Objektiv reduziert Bildverzerrungen, sorgt für konstante Vergrößerung, hohe Auflösung, keine perspektivischen Fehler und vermeidet Objektiv-Schattierungen. Das Ergebnis ist ein Bild mit gleichmäßiger Vergrößerung, Lichtintensität und Verzerrung im gesamten Sichtfeld.

Mit über 100 Optionen bietet unser umfangreiches Portfolio an telezentrischen Objektiven eine Vielzahl an Vergrößerungs- und Arbeitsabständen, die sich an unterschiedliche Bildanforderungen anpassen. Durch maßgeschneiderte Lösungen, fachkundige Beratung und unser Engagement für Innovation unterstützen wir Sie dabei, herausragende Ergebnisse in Ihrer Machine Vision Anwendung zu erzielen.

Filter
Lens Mount
Max. Sensorsize
Lens Magnification
Lens Working Distance (mm)
Lens Options
VA Imaging Logo
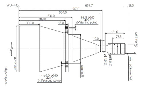
VA-LM58-TC-0-0.163X-WD410-39C Lens telecentric 2
€9.999,00
VA Imaging Logo
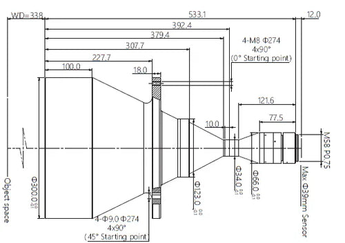
VA-LM58-TC-0-0.151X-WD338-39C Lens telecentric 2
€9.999,00
VA Imaging Logo
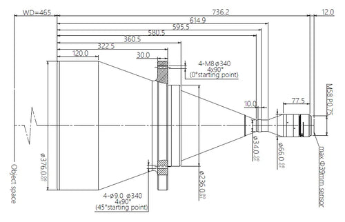
VA-LM58-TC-0-0.130X-WD465-39C Lens telecentric 2
€9.999,00

Wie man ein telezentrisches Objektiv montiert

Unsere telezentrischen Objektive sind C-Mount oder M58-kompatibel. Die meisten passen auf unsere Standard- C-Mount Machine Vision Kameras. Bei der Verwendung großer telezentrischer Objektive in horizontaler Ausrichtung benötigt das Objektiv eine Support-Halterung, andernfalls wird die Spannung am C-Mount der Machine Vision Kamera zu groß. 

Während telezentrische Objektive in Machine Vision Applikationen einzigartige Vorteile bieten, kann ihre Montageorientierung die Leistung beeinflussen. Wenn sie vertikal montiert sind, benötigen telezentrische Objektive technisch gesehen keinen speziellen Support. Mechanische Designer entscheiden sich jedoch häufig dafür, eine einzubeziehen, um potenzielle Vibrationsprobleme zu beheben.

Eine dedizierte Support-Halterung bietet eine stabilere Plattform für das telezentrische Objektiv. Durch die effektive Montage des Objektivs am Hauptkörper der Maschine werden Vibrationen minimiert. Dies führt zu schärferen, klareren Bildern, einem entscheidenden Faktor für erfolgreiche Machine Vision-Applikationen in Aufgaben wie Inspektion, Messung und Objekterkennung. Wir können Support-Halterungen für unsere telezentrischen Objektive anbieten, diese sind jedoch nicht auf unserer Website angezeigt. 

Telezentrische Objektiv mit Koaxiallichteingang

Unsere telezentrischen Objektive können mit einem Koaxiallichteingang ausgestattet werden. Beim Anschließen eines LED Koaxiallichts projiziert ein halbtransparenter Spiegel im Inneren des telezentrischen Objektivs das Licht durch das Objektiv auf das Objekt. Es erzeugt ein gleichmäßiges Licht, ohne dass ein externes Licht erforderlich ist. Das macht die Integration des Setups sehr einfach.

Telezentrische Objektive in Machine Vision verstehen

Telezentrische Objektive spielen eine entscheidende Rolle in Machine Vision-Systemen, indem sie Perspektivfehler minimieren und eine konsistente Vergrößerung sowie Perspektive über den gesamten Bildbereich gewährleisten. Durch ihre spezielle optische Anordnung kann nur parallel einfallendes Licht in das Objektiv gelangen, sodass das Licht senkrecht auf den Bildsensor trifft. Ein spezielles Element innerhalb der Objektiv, das als telezentrische Blende bezeichnet wird, steuert die Lichtstrahlen. Dies stellt sicher, dass sie parallel reisen, bevor sie den Bildsensor erreichen.

Dieses Merkmal ermöglicht genaue Maßmessungen und Merkmalsauszüge, wodurch telezentrische Objektive in Computer Vision Applikationen für Qualitätskontrolle, Inspektion und Wartung in verschiedenen Branchen unverzichtbar werden.

Die Wahl des richtigen telezentrischen Objektivs

Unser benutzerfreundlicher Objektiv Rechner vereinfacht den Prozess, das ideale telezentrische Objektiv für Ihre Applikation zu identifizieren. Geben Sie einfach die gewünschte Objektiv-Vergrößerung, die Sensorauflösung (sowohl horizontal als auch vertikal) und die Pixelgröße ein. Der Rechner bestimmt dann das entsprechende Sichtfeld. Alternativ können Sie zur Bestimmung der geeigneten Objektiv-Vergrößerung die Sensorauflösung und die Pixelgröße eingeben. Sie können dann den Wert der Objektiv-Vergrößerung anpassen, bis das gewünschte Sichtfeld erreicht ist.

Unser Expertenteam im Bereich Vision ist jederzeit bereit, Ihnen bei der Nutzung des Objektivkalkulators zu helfen oder Ihre Fragen zu beantworten. Kontaktieren Sie uns gerne für individuelle Unterstützung und Beratung. Wir sind bestrebt, Ihnen die nötigen Werkzeuge und Ressourcen zur Verfügung zu stellen, damit Sie informierte Entscheidungen treffen und die besten Ergebnisse in Ihrem Computer Vision System erzielen können.

VA-Imaging Portfolio

Mit mehr als 100 Optionen bietet unser umfangreiches Portfolio an telezentrischen Objektiven eine breite Palette von Vergrößerungs- und Arbeitsabstandsoptionen, um unterschiedlichen Bedürfnissen gerecht zu werden. Durch maßgeschneiderte Lösungen, umfassenden Support und eine starke Innovationsorientierung unterstützen wir unsere Kunden dabei, herausragende Ergebnisse in ihren Computer Vision Anwendungen zu erzielen und so Effizienz, Präzision und Leistung in unterschiedlichsten Branchen und Sektoren zu steigern. Unsere telezentrischen Objektive können perfekt mit unseren GigE - oder USB3-Kameras verwendet werden. 

Spezialbeleuchtung für telezentrische Objektive

Um das Potenzial von telezentrischen Objektiven in Machine Vision-Setups zu maximieren, sind spezialisierte Beleuchtungsoptionen verfügbar. Telezentrische Beleuchtung, wie ihre Objektiv-Gegenstücke, strahlen Licht in einer streng parallelen Richtung aus. Diese Synergie zwischen telezentrischen Objektiven und telezentrischer Beleuchtung bietet einen entscheidenden Vorteil: hochpräzise Messungen.

Das umfangreiche Angebot an Maschinenvisionsbeleuchtung, das speziell für telezentrische Objektive entwickelt wurde, deckt eine Vielzahl von Inspektionsaufgaben ab. Durch die Gewährleistung einer konstanten und gleichmäßigen Beleuchtung tragen diese Beleuchtungslösungen zu präzisen und zuverlässigen Ergebnissen in anspruchsvollen Anwendungen bei.

Vergleich mit Standard-Industrie-Maschinenvisionsobjektiven

Telezentrische Objektive unterscheiden sich von herkömmlichen Industrieobjektiven, indem sie eine konstante Vergrößerung und minimale Verzerrung aufrechterhalten. Im Gegensatz zu standardmäßigen C-Mount Objektiven, die unterschiedliche Vergrößerungen und Verzerrungen aufweisen, bieten telezentrische Objektive unvergleichliche Präzision und Konsistenz in der Bildgebung, was sie zur bevorzugten Wahl für kritische Mess- und Inspektionsaufgaben in Machine Vision-Setups macht.

Applikationen in Machine Vision Industrie

Telezentrische Objektive finden in der Maschinenvisionsindustrie breite Anwendung und kommen in verschiedenen Sektoren zum Einsatz, darunter die Herstellung von Medizinprodukten, die Produktion von Automobilteilen, die Halbleiterfertigung, die Druckindustrie und die Solarenergiebranche. Sie spielen eine entscheidende Rolle in der Qualitätskontrolle, Inspektion und Wartung, indem sie präzise Messungen und die Erkennung von Defekten in Computer-Vision-Systemen ermöglichen.

Fragen zu telezentrischen Objektiven

Für Anfragen oder spezifische Wünsche bezüglich telezentrischer Objektive, können Sie sich für persönliche Unterstützung gerne an uns wenden. Neben standardmäßigen telezentrischen Objektiven steht eine breite Palette spezieller telezentrischer Objektive zur Verfügung, um einzigartige Applikationbedürfnisse und Anforderungen in Ihrem Computer Vision-Setup zu erfüllen.

Rezensionen telezentrischer Objektive

  • 8
    Kameras bieten ein gutes Preis-Leistungs-Verhältnis

    Die Kameras und die Objektive bieten ein gutes Preis-Leistungs-Verhältnis. Die Software ist veraltet und muss aktualisiert werden. Es hat mich eine beträchtliche Zeit gekostet, herauszufinden, wie ... Die Kameras und die Objektive bieten ein gutes Preis-Leistungs-Verhältnis. Die Software ist veraltet und muss aktualisiert werden. Es hat mich eine beträchtliche Zeit gekostet, herauszufinden, wie ich auf die Kamera-Funktionen zugreifen kann.

  • 10
    Hervorragende Materialqualität und aufmerksamer und zuverlässiger Lieferant

    In der kommerziellen Phase hatten wir maximale Support und die Lieferzeiten wurden eingehalten. Das Material ist ziemlich gut mit niedrigen und wettbewerbsfähigen Kosten. In der kommerziellen Phase hatten wir maximale Support und die Lieferzeiten wurden eingehalten. Das Material ist ziemlich gut mit niedrigen und wettbewerbsfähigen Kosten.

  • 10
    Schnelle Kabellieferung

    Ich hatte eine Kamera bestellt, aber vergessen, das benötigte Kabel mitzubestellen. Das Kabel wurde sehr schnell bestellt und geliefert. Ich hatte eine Kamera bestellt, aber vergessen, das benötigte Kabel mitzubestellen. Das Kabel wurde sehr schnell bestellt und geliefert.

  • 8
    Schnelle Lieferung

    Schnelle Lieferung, auch ohne die Geschwindigkeitsprämie zu zahlen Schnelle Lieferung, auch ohne die Geschwindigkeitsprämie zu zahlen

  • 9
    Schnelle Lieferung und gute Qualität!

    Ein sehr gutes Unternehmen, ich werde beim nächsten Mal weiterhin zusammenarbeiten! Ein sehr gutes Unternehmen, ich werde beim nächsten Mal weiterhin zusammenarbeiten!

  • 10
    Schneller Service

    Extrem schneller Service. Ich habe die Kamera am nächsten Tag erhalten. Sehr zu empfehlen, der Verkäufer! Danke! Extrem schneller Service. Ich habe die Kamera am nächsten Tag erhalten. Sehr zu empfehlen, der Verkäufer! Danke!

  • 8.5
    Gute Erfahrung

    Top, gute Erfahrung. Sehr aufmerksam und schnell reagierend. Produkt kam in gutem Zustand an. Top, gute Erfahrung. Sehr aufmerksam und schnell reagierend. Produkt kam in gutem Zustand an.

  • 8
    Gute Qualität und schnelle Lieferung

    Bisher erfüllen alle Komponenten die Erwartungen, es wäre allerdings toll, wenn 3D-Modelle für alle Komponenten verfügbar wären. Bisher erfüllen alle Komponenten die Erwartungen, es wäre allerdings toll, wenn 3D-Modelle für alle Komponenten verfügbar wären.

  • 10
    Toller KundenSupport, Produkte und Preise

    Ich habe GeT Cameras kontaktiert, um mir bei der Auswahl der besten Kamera und Objektiv Lösung zu helfen. Sie haben großartige Support geboten. Ich habe mit Express bestellt und die Produkte 2 Tage... Ich habe GeT Cameras kontaktiert, um mir bei der Auswahl der besten Kamera und Objektiv Lösung zu helfen. Sie haben großartige Support geboten. Ich habe mit Express bestellt und die Produkte 2 Tage später erhalten :)

  • 9
    Tolle Preise, toller Service, alles super

    Ich habe von diesen Leuten einige Kameras gekauft, die Preise sind großartig, der Service ist großartig, die Lieferzeiten der Hardware sind auch sehr gut. Ich habe von diesen Leuten einige Kameras gekauft, die Preise sind großartig, der Service ist großartig, die Lieferzeiten der Hardware sind auch sehr gut.

  • 10
    Tolle Produkte. Ausgezeichneter Support.

    GeT Cameras in Deutschland hat einige Fotos unserer Produkte gemacht, um die Leistung ihrer Kameras zu zeigen, und sie sahen perfekt aus. Kürzlich haben wir eine Kamera mit Objektiv und LED-Lichter... GeT Cameras in Deutschland hat einige Fotos unserer Produkte gemacht, um die Leistung ihrer Kameras zu zeigen, und sie sahen perfekt aus. Kürzlich haben wir eine Kamera mit Objektiv und LED-Lichtern gekauft. Wir sind nicht erfahren mit Machine Vision, aber die Installation hat gut funktioniert. Nach der Installation in unserem Labor waren wir erneut überrascht von der hohen Qualität der Fotos und der Vielseitigkeit dieses Systems. (Optionen im Galaxy Viewer und Integration in Python.) Kürzlich hatten wir ein Problem mit der Software und der Support konnte uns die relevanten Informationen geben, um es innerhalb eines Tages zu beheben. "Das nächste Mal, wenn wir eine Kamera benötigen, werden wir nicht nach anderen Lieferanten suchen, sondern GeT Cameras sofort kontaktieren."

  • 10
    Große Support und internes Wissen über die Kameras

    Zuerst war ich ein wenig skeptisch, was den Kauf von industriellen Kameras online anging. Es ist ein kritischer Teil für unsere Maschine. Bei der Entwicklung eines neuen Produkts gab es viel Preisd... Zuerst war ich ein wenig skeptisch, was den Kauf von industriellen Kameras online anging. Es ist ein kritischer Teil für unsere Maschine. Bei der Entwicklung eines neuen Produkts gab es viel Preisdruck. Wir benötigten eine günstige Kamera. Ich rief sie an und Caspar bot großartige Support an. Er empfahl sogar eine günstigere Kamera, als ich im Sinn hatte. Ich war einfach überrascht von dem Fachwissen über Machine Vision, das sie inhouse hatten. Damit hatte ich nicht von einem Webshop gerechnet. Die Bild- und Verarbeitungsqualität der Kamera ist ebenfalls großartig. Die Kamera fühlt sich genauso an und funktioniert wie unsere Basler-Kameras.

  • 10
    Großartige Support per E-Mail

    Ich habe vor 2 Monaten eine 20MP USB3 Kamera inklusive eines Objektiv für eine Datamatrix-Code-Lese-Applikation bestellt. Zunächst war ich skeptisch wegen der niedrigen Preise, aber der Support per... Ich habe vor 2 Monaten eine 20MP USB3 Kamera inklusive eines Objektiv für eine Datamatrix-Code-Lese-Applikation bestellt. Zunächst war ich skeptisch wegen der niedrigen Preise, aber der Support per E-Mail war großartig. Sie empfahlen ein Objektiv und gaben zusätzliche technische Informationen. Leider bieten sie keinen Leihservice an, aber ich entschied mich, es auszuprobieren. Ich hatte die Kameras innerhalb von 2 Wochen im Haus und die Verbindung war einfach. Das SDK sieht aus wie das SDK von Basler, also fühlte ich mich sofort wohl damit. Die Kamera und das Objektiv waren eine perfekte Kombination und jetzt kann ich kleine DMC-Codes auf großen Produkten mit nur einer einzigen Kamera lesen.

  • 10
    Toller Support bei der Auswahl eines Objektivs

    Wir haben eine 20MP Kamera und ein Objektiv mit Verlängerungsrohren gekauft, um es als digitales Mikroskop in unserem Labor zu verwenden. Die Support bei der Auswahl eines Objektiv war großartig. D... Wir haben eine 20MP Kamera und ein Objektiv mit Verlängerungsrohren gekauft, um es als digitales Mikroskop in unserem Labor zu verwenden. Die Support bei der Auswahl eines Objektiv war großartig. Der Anschluss der USB3 Kamera war einfach. Wir haben alles pünktlich erhalten.

  • 10
    Gute Qualität

    Hochwertige Komponenten und Service! Meine Bestellung wurde schnell bearbeitet und kam früher als geplant an. Würde es empfehlen. Hochwertige Komponenten und Service! Meine Bestellung wurde schnell bearbeitet und kam früher als geplant an. Würde es empfehlen.

  • 10
    Es ist wichtig, über ein qualifiziertes und effizientes Team von Mitarbeitern zu verfügen, um die Waren effizient zu erhalten.

    Von Anfang bis Ende bis zum Kauf des Artikels herrschte eine gute Beziehung und eine sehr gute Kommunikation. Von Anfang bis Ende bis zum Kauf des Artikels herrschte eine gute Beziehung und eine sehr gute Kommunikation.

  • 9
    Hervorragende Produkte und Kundenservice

    Das Kundendienstpersonal war freundlich, unkompliziert und half uns bei der Auswahl der geeigneten Produkte, die perfekt zu unserem Anwendungsfall passten. Das Kundendienstpersonal war freundlich, unkompliziert und half uns bei der Auswahl der geeigneten Produkte, die perfekt zu unserem Anwendungsfall passten.

  • 10
    Hervorragende Produkte und Kundenservice

    Get Cameras war äußerst freundlich, uns mit fantastischer Ausrüstung für unser RoboCup-Studententeam, die Delft Mercurians, zu unterstützen. Wir hatten keine Probleme mit den Kameras, sie funktioni... Get Cameras war äußerst freundlich, uns mit fantastischer Ausrüstung für unser RoboCup-Studententeam, die Delft Mercurians, zu unterstützen. Wir hatten keine Probleme mit den Kameras, sie funktionieren wie angekündigt und ermöglichten uns die Fortsetzung des Projekts, und das Unternehmen hat uns insgesamt äußerst unterstützt. Das Kundendienstpersonal war freundlich, unkompliziert und half uns bei der Auswahl der geeigneten Produkte, die perfekt zu unserem Anwendungsfall passten.

  • 8
    Perfekte Kundeninteraktion

    Gute Seite und perfekte Kundeninteraktion. Gute Seite und perfekte Kundeninteraktion.

  • 10
    Produkte früher als versprochen geliefert

    Bestellte Produkte wurden früher als versprochen geliefert, alle bestellten Artikel waren im Paket enthalten und wir hatten keine Probleme, sie zum Laufen zu bringen (Kameras funktionieren mit der ... Bestellte Produkte wurden früher als versprochen geliefert, alle bestellten Artikel waren im Paket enthalten und wir hatten keine Probleme, sie zum Laufen zu bringen (Kameras funktionieren mit der beigefügten Software und mit Matlab).

  • 10
    Professionelle Support, schnelle Lieferung und gutes Produkt.

    Mir hat gefallen, dass Ihr Team mir anhand meiner Beschreibung bei der Auswahl der benötigten Ausrüstung geholfen hat. Die Artikel, die ich bestellt habe, sind genau das, wonach ich gesucht habe. Mir hat gefallen, dass Ihr Team mir anhand meiner Beschreibung bei der Auswahl der benötigten Ausrüstung geholfen hat. Die Artikel, die ich bestellt habe, sind genau das, wonach ich gesucht habe.

  • 10
    Schnelle Antworten auf viele Fragen

    Schnelle Antworten auf unsere vielen Fragen. Eine gute Auswahl an Kameras, trotz Engpässen in anderen Teilen der Branche, und wir konnten einige dieser Kameras spezifizieren, um Projekte voranzutre... Schnelle Antworten auf unsere vielen Fragen. Eine gute Auswahl an Kameras, trotz Engpässen in anderen Teilen der Branche, und wir konnten einige dieser Kameras spezifizieren, um Projekte voranzutreiben. Wir kaufen weiterhin regelmäßig ein.

  • 10
    Schnelle Antworten und gute Auswahl an Kameras

    Schnelle Antworten auf unsere vielen Fragen. Eine gute Auswahl an Kameras trotz Engpässen in anderen Teilen der Branche und wir konnten einige dieser Kameras spezifizieren, um Projekte voranzutreib... Schnelle Antworten auf unsere vielen Fragen. Eine gute Auswahl an Kameras trotz Engpässen in anderen Teilen der Branche und wir konnten einige dieser Kameras spezifizieren, um Projekte voranzutreiben. Wir kaufen weiterhin regelmäßig bei Get-Cameras ein.

  • 10
    Schneller Versand und exzellenter Kundenservice

    Der Kundenservice ist schnell, freundlich und hilfsbereit, der Versand erfolgt zügig und die Qualität der Kameras und des Zubehörs ist ausgezeichnet. Sehr nützlich ist auch die bereitgestellte Soft... Der Kundenservice ist schnell, freundlich und hilfsbereit, der Versand erfolgt zügig und die Qualität der Kameras und des Zubehörs ist ausgezeichnet. Sehr nützlich ist auch die bereitgestellte Software, einschließlich Kodierungsbeispielen zur Implementierung der Kameras in unsere Systeme.

  • 10
    Schneller Versand und exzellenter Kundenservice

    Der Kundenservice ist schnell, freundlich und hilfsbereit, der Versand erfolgt zügig und die Qualität der Kameras und des Zubehörs ist ausgezeichnet. Sehr nützlich ist auch die bereitgestellte Soft... Der Kundenservice ist schnell, freundlich und hilfsbereit, der Versand erfolgt zügig und die Qualität der Kameras und des Zubehörs ist ausgezeichnet. Sehr nützlich ist auch die bereitgestellte Software, einschließlich Codierungsbeispielen zur Implementierung der Kameras in unsere Systeme.

  • 9
    Passendes Produkt für uns

    Wir haben bereits mehrere Ihrer Kameras. Diese sind nur für den Lagerbestand bestimmt. Da wir sie auf Lager haben, bedeutet das, dass wir mit ihnen zufrieden sind. Lediglich die Vorlaufzeit ist etw... Wir haben bereits mehrere Ihrer Kameras. Diese sind nur für den Lagerbestand bestimmt. Da wir sie auf Lager haben, bedeutet das, dass wir mit ihnen zufrieden sind. Lediglich die Vorlaufzeit ist etwas länger.

  • 10
    Sehr gutes Preis-Leistungs-Verhältnis

    Die Kamera kam pünktlich an und liefert ausgezeichnete Bilder. Sehr gutes Preis-Leistungs-Verhältnis. Das SDK macht es sehr einfach, Bilder in ein von mir mit C++Builder geschriebenes Programm zu i... Die Kamera kam pünktlich an und liefert ausgezeichnete Bilder. Sehr gutes Preis-Leistungs-Verhältnis. Das SDK macht es sehr einfach, Bilder in ein von mir mit C++Builder geschriebenes Programm zu integrieren (ca. 2 Stunden Programmierung).

  • 10
    Sehr hilfsbereiter Kundenservice

    Wir benötigten dringend eine Vision Kamera für unser Projekt. Sie konnten sie innerhalb weniger Tage liefern. Sie haben auch schnell auf meine E-Mails reagiert, als ich Support benötigte. Sie schic... Wir benötigten dringend eine Vision Kamera für unser Projekt. Sie konnten sie innerhalb weniger Tage liefern. Sie haben auch schnell auf meine E-Mails reagiert, als ich Support benötigte. Sie schickten mir einen Artikel, wie man die Kamera schnell installiert und die wichtigsten Parameter einstellt. Es war sehr hilfreich und innerhalb einer halben Stunde hatten wir ein gutes Live-Bild. Wir haben auch das Objektiv bestellt, das sie empfohlen haben. Es liefert ein schönes und scharfes Bild.

Bewertungen werden automatisch übersetzt. Klicken Sie hier, um die Originalbewertung zu sehen und ihre Authentizität zu prüfen.

Innovative Bildverarbeitung für Vision & Automation

VA Imaging vereint technologische Präzision mit kreativer Anwendungsvielfalt und bietet leistungsstarke Bildverarbeitungslösungen für innovative Maschinen. Unsere Machine-Vision-Produkte ermöglichen es Ihnen, innovative Konzepte in die Praxis umzusetzen. Mit unseren Kameras, Objektiven und Beleuchtungssystemen schaffen Sie die ideale Grundlage für zukunftsweisende Automatisierungslösungen.

  • FAQ

    Die häufigsten Fragen sind bereits auf unserer FAQ-Seite beantwortet. Fragen zu Lieferzeiten, Garantie, Darlehen, Rücksendungen, Langlebigkeit, Handbücher usw.

    FAQ -Seite
  • Imaging Software

    Bildverarbeitungssoftware erfasst die Bilder von einer industriellen Kamera und führt komplexe Bildverarbeitungsaufgaben wie Segmentierung, Erkennung, Code- und Texterkennung durch.

    Entdecken
  • Wissenszentrum

    Wir teilen unser Machine Vision Wissen in unserem Wissenszentrum. Finden Sie Tutorials, wie man Kameras anschließt, Software installiert und I/O programmiert.

    Entdecken
  • Machine Vision Applikationen

    Überprüfen Sie, wie unsere Kunden unsere Industriekameras, Objektive und Beleuchtung in ihrer Applikation verwenden.

    Entdecken
  • Machine Vision Experten

    Fragen Sie unsere Machine Vision Experten! Wir antworten schnell und denken mit.

    Rede mit uns
  • Downloads

    Bildverarbeitungssoftware erfasst die Bilder von einer industriellen Kamera und führt komplexe Bildverarbeitungsaufgaben wie Segmentierung, Erkennung, Code- und Texterkennung durch.

    Entdecken