VA-LCM-TC-1-0.3X-WD65-015 Lens telecentric
VA-LCM-TC-1-0.3X-WD65-015
- Telecentric C-mount Lens
- magnification 0.3X
- sensorsize 2/3 inch
Telecentric lens
The LCM-TELECENTRIC series for 2/3” sensors are Telecentric lenses that are designed for accurate measurement applications. Its proprietary features can recognize the characteristics of integrated circuits, glass, LCD panels, etc., in order to facilitate automated high-speed operations. The series has multiple magnifications and working distances to assure the right field of view can be met for each application.
More infoSpecifications
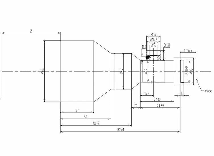
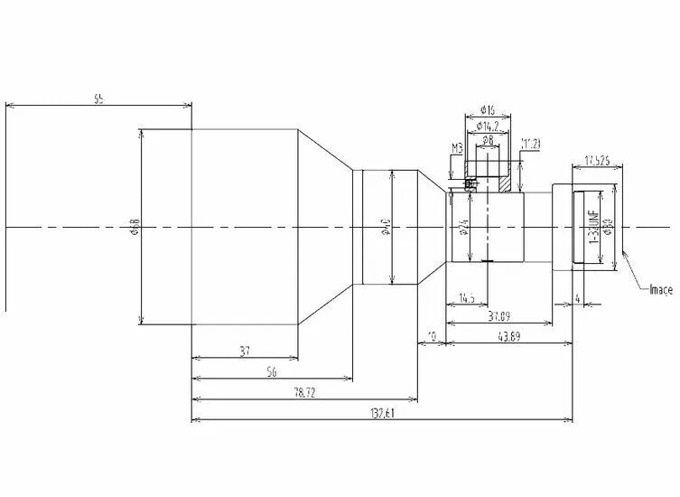
| Part number | VA-LCM-TC-1-0.3X-WD65-015 |
| Image format / circle | 2/3'' |
| Aperture / iris | Fixed iris |
| Aperture (min) | F6.7 |
| Minimum object distance (MOD) - Max | 65mm |
| Mount | C |
| Dimensions | 68x132.61mm |
| Distortion | < 0.05% |
| Working distance (mm) | 65 |
| Coaxial light input | true |
| Magnification | 0.3 |
Download manual
Need the VA-LCM-TC-1-0.3X-WD65-015 3D stepfiles, MTF chart or lens manual ?
Do you have a question about the VA-LCM-TC-1-0.3X-WD65-015?
Ask us your question via
Coaxial light input option
Most telecentric lenses, with a magnification of 0.5x or higher, have the option for a coaxial light input. If the part number starts with VA-LCM-TC-1, the lens has a coaxial light input, while if it starts with VA-LCM-TC-0, the lens has no coaxial light input.
The coaxial light input is ideal for illuminating flat shiny surfaces, like metal and printed circuit boards. To use the coaxial light input, we recommend our LED spot VA-SLC-8MM-W-12V.
Coaxial Light Input and Hotspots
Using a coaxial light input with this lens can potentially introduce a hotspot on the image. This hotspot is caused by the direct reflection of light from the lens's internal prism. The severity of the hotspot can vary depending on factors such as the lens design, the light source used, and the reflection on the application. While this may not be a significant issue for some applications, it could impact image quality in others, particularly those requiring high dynamic range or low-noise images.

| Part number | VA-LCM-TC-1-0.3X-WD65-015 |
| Image format / circle | 2/3'' |
| Aperture / iris | Fixed iris |
| Aperture (min) | F6.7 |
| Minimum object distance (MOD) - Max | 65mm |
| Mount | C |
| Dimensions | 68x132.61mm |
| Distortion | < 0.05% |
| Working distance (mm) | 65 |
| Coaxial light input | true |
| Magnification | 0.3 |
| Field of view (FOV) | 29.3x22mm |
| Depth of field (DOF) | ±3.35mm |
| Partnumber old | LCM-TELECENTRIC-0.3X-WD65-1.5-CO |
Reviews
-
8Cameras are a great value for money
The cameras are a great value for money and the lenses also. The software is outdated and needs refreshing. It took me considerable amount of time to discover how to access the camera features. The cameras are a great value for money and the lenses also. The software is outdated and needs refreshing. It took me considerable amount of time to discover how to access the camera features.
-
10Excellent quality material and attentive and reliable supplier
In the commercial phase we had maximum support and delivery times were respected. The material is quite good with low and competitive costs. In the commercial phase we had maximum support and delivery times were respected. The material is quite good with low and competitive costs.
-
10Fast cable delivery
I had ordered a camera but forgotten to include the required cable. the cable was ordered and delivered very fast. I had ordered a camera but forgotten to include the required cable. the cable was ordered and delivered very fast.
-
8Fast delivery
Fast delivery even without paying the speed premium Fast delivery even without paying the speed premium
-
9Fast Delivery and good quality!
A very good company, I will continue to cooperate next time! A very good company, I will continue to cooperate next time!
-
10Fast service
Extremely fast service. I got the camera next day. Highly recommend the seller! Thank you! Extremely fast service. I got the camera next day. Highly recommend the seller! Thank you!
-
8.5Good Experience
Top, good experience. Very attentive and quick to respond. Product arrived in good condition. Top, good experience. Very attentive and quick to respond. Product arrived in good condition.
-
8Good quality and fast delivery
So far, all components meet expectation, it would be great, though, if 3d models for all components were available. So far, all components meet expectation, it would be great, though, if 3d models for all components were available.
-
10Great customer support, products and prices
I contacted GeT Cameras to help out with selecting the best camera and lens solution for me. They provided great support. I ordered with express and received the products 2 days later :) I contacted GeT Cameras to help out with selecting the best camera and lens solution for me. They provided great support. I ordered with express and received the products 2 days later :)
-
9Great prices, great service, everything great
Bought quite a few cameras from these guys, prices are great, service is great, delivery times of the hardware is also very nice. Bought quite a few cameras from these guys, prices are great, service is great, delivery times of the hardware is also very nice.
-
10Great products. Excellent support.
GeT Cameras in Germany made some photo's of our products to show the performance of their cameras and they looked perfect. Recently we purchased a camera with lens, and LED lights. We are not exper... GeT Cameras in Germany made some photo's of our products to show the performance of their cameras and they looked perfect. Recently we purchased a camera with lens, and LED lights. We are not experienced with machine vision but the installation worked out fine. After installation on our laboratory we were surprised again of the high quality of the photos and the versatility of this system. (options in Galaxy viewer and integration in Python. Recently we had an issue with the software and the customer support was able to give us the relevant information to fix it within one day. The next time we need a camera we will not be looking to other suppliers but contact GeT Cameras immediately.
-
10Great support and inhouse knowledge of the cameras
First I was a little bit sceptic about buying online industrial cameras. It’s a critical part for our machine. For a new product development there was a lot of price pressure. We needed a cheap cam... First I was a little bit sceptic about buying online industrial cameras. It’s a critical part for our machine. For a new product development there was a lot of price pressure. We needed a cheap camera. I called them and Caspar was providing great support. He even advised a cheaper camera than I had in mind. I was just surprised by the inhouse knowledge of get cameras about machine vision. Never expected this from a webshop. The image an built quality of the camera is also great. The camera feels and operates the same as our Basler cameras.
-
10Great support by email
I ordered a 20MP USB3 camera including a lens 2 months ago for a datamatrix code reading application. In the beginning I was sceptic because of the low prices, but support by email was great. They ... I ordered a 20MP USB3 camera including a lens 2 months ago for a datamatrix code reading application. In the beginning I was sceptic because of the low prices, but support by email was great. They advise a lens and provided additional technical information. Unfortunately they don't offer a loan service, but I decided to try it. I had the cameras in house within 2 weeks and connection was easy. The SDK looks like the SDK from Basler so I felt directly comfortable with it. The camera and lens was a perfect match and now I'm able to read small DMC codes on large products with just a single camera.
-
10Great support while selecting a lens
We have bought a 20MP camera and lens with extension tubes to use it as a digital microscope in our lab. The support with selecting a lens was great. Connecting the USB3 camera was easy. We receive... We have bought a 20MP camera and lens with extension tubes to use it as a digital microscope in our lab. The support with selecting a lens was great. Connecting the USB3 camera was easy. We received everything on time.
-
10High quality
High quality components and service! My order was handled quickly and arrived ahead of schedule. Would recommend. High quality components and service! My order was handled quickly and arrived ahead of schedule. Would recommend.
-
10It is important to have a skilled and efficient team of workers to get the goods efficiently.
Maintained a good relationship and very good communication from start to finish to purchase the item. Maintained a good relationship and very good communication from start to finish to purchase the item.
-
9Outstanding products and customer service
The customer service staff was friendly, easy to approach and helped us select the appropriate products which fit our use case perfectly. The customer service staff was friendly, easy to approach and helped us select the appropriate products which fit our use case perfectly.
-
10Outstanding products and customer service
Get Cameras were extremely kind to sponsor us with some amazing equipment for our RoboCup student team, Delft Mercurians. We had no issues with the cameras, they perform as advertised and enabled u... Get Cameras were extremely kind to sponsor us with some amazing equipment for our RoboCup student team, Delft Mercurians. We had no issues with the cameras, they perform as advertised and enabled us to continue with the project and the company was extremely supportive of us overall. The customer service staff was friendly, easy to approach and helped us select the appropriate products which fit our use case perfectly.
-
8Perfect customer interaction
Good site and perfect customer interaction. Good site and perfect customer interaction.
-
10Products delivered sooner than promised
Ordered products were delivered sooner than promised, all ordered items were included in the package and we had no problems to make them work (cameras work with the attached software and with Matlab). Ordered products were delivered sooner than promised, all ordered items were included in the package and we had no problems to make them work (cameras work with the attached software and with Matlab).
-
10Professional support, fast delivery and good product.
I liked that your team helped me chose the needed equipment by my description. The items that i have ordered are exactly what i have looked for. I liked that your team helped me chose the needed equipment by my description. The items that i have ordered are exactly what i have looked for.
-
10Prompt responses to many questions
Prompt responses to our many questions. A good selection of cameras despite shortages elsewhere in the industry and we have been able to specify some of these cameras to keep projects moving forwar... Prompt responses to our many questions. A good selection of cameras despite shortages elsewhere in the industry and we have been able to specify some of these cameras to keep projects moving forward. We continue to buy regularly.
-
10Quick responses and good selection of cameras
Prompt responses to our many questions. A good selection of cameras despite shortages elsewhere in the industry and we have been able to specify some of these cameras to keep projects moving forwar... Prompt responses to our many questions. A good selection of cameras despite shortages elsewhere in the industry and we have been able to specify some of these cameras to keep projects moving forward. We continue to buy from Get-Cameras regularly.
-
10Quick shipping and excellent customer service
The customer service is quick, friendly and helpful, shipping takes place fast and the quality of cameras and accessoires is excellent. Very useful is also the provided software, including coding e... The customer service is quick, friendly and helpful, shipping takes place fast and the quality of cameras and accessoires is excellent. Very useful is also the provided software, including coding examples to implement the cameras in our systems.
-
10Quick shipping and excellent customer service
The customer service is quick, friendly and helpful, shipping takes place fast and the quality of cameras and accessoires is excellent. Very useful is also the provided software, including coding e... The customer service is quick, friendly and helpful, shipping takes place fast and the quality of cameras and accessoires is excellent. Very useful is also the provided software, including coding examples to implement the cameras in our systems.
-
9Suitable product for us
We already have several of your cameras. These are for stock only. Since we are taking them into stock, that means we are happy with them. Only lead time is little bit longer. We already have several of your cameras. These are for stock only. Since we are taking them into stock, that means we are happy with them. Only lead time is little bit longer.
-
10Very good value for money
The camera arrived on schedule and gives excellent images. Very good value for money. The SDK makes it very easy to acquire images into a program of my own written using C++Builder (about 2 hours p... The camera arrived on schedule and gives excellent images. Very good value for money. The SDK makes it very easy to acquire images into a program of my own written using C++Builder (about 2 hours programming).
-
10Very helpful customer service
We needed a vision camera for our project very urgently. They where able to deliver it in a few days time. They responded quick to my emails also when I needed support. They send me an article how ... We needed a vision camera for our project very urgently. They where able to deliver it in a few days time. They responded quick to my emails also when I needed support. They send me an article how to quickly install the camera and set the most important parameters. it was very helpfull and within half an hour we had a good live view image. We have also ordered the lens they advised. It provides a nice and sharp image.
Vision & Automation Resources
-
FAQ pageFAQ
Most common questions are already answered on our FAQ page. Questions about delivery times, warranty, loan, returns, longevity, manuals etc.
-
DiscoverImaging Software
Image processing software captures the images from an industrial camera and performs complex image processing tasks like segmentation, detection, code and text reading.
-
DiscoverKnowledge Center
We share our machine vision knowledge in our knowledge center. Find tutorials how to connect cameras, install software & program I/O.
-
DiscoverMachine Vision Applications
Check how our customers use our industrial cameras, lenses and lighting in their application
-
Talk to usMachine Vision Experts
Ask our machine vision experts! We answer rapidly and think along with your imaging project.
-
DiscoverDownloads
Image processing software captures the images from an industrial camera and performs complex image processing tasks like segmentation, detection, code and text reading.